网站首页
产品中心
排针
排母
AC插座
开关类
插座类
连接器类
USB
关于我们
公司概况
新闻资讯
联系我们
栏目导航
插座类
耳机座
AV插座
DIN插座
DC座
推荐产品
2.54mm间距排针连接器-三排
2.54mm间距排针连接器 单排
联系我们
电话:0769-81782196
地址:东莞市樟木头镇石新社区创业街85号一楼
当前位置:
首页
>
产品中心
>
插座类
>
DC座
>
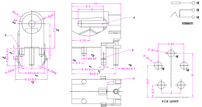
DC-01220
浏览: 发布日期:2017-10-26
上一篇:
DC-531
下一篇:
DC-01240