栏目导航
联系我们
电话:0769-81782196
地址:东莞市樟木头镇石新社区创业街85号一楼
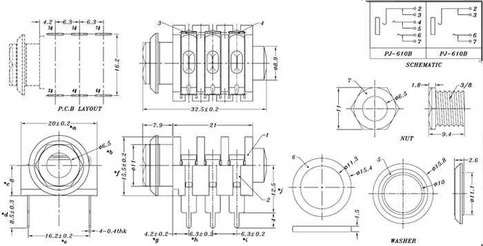
PJ-610B
浏览: 发布日期:2018-01-08


  • 上一篇:PJ-610A
  • 下一篇:PJ-611
  •