联系我们
电话:0769-81782196
地址:东莞市樟木头镇石新社区创业街85号一楼
当前位置:首页 > 产品中心 > 开关类 > 按键开关 >
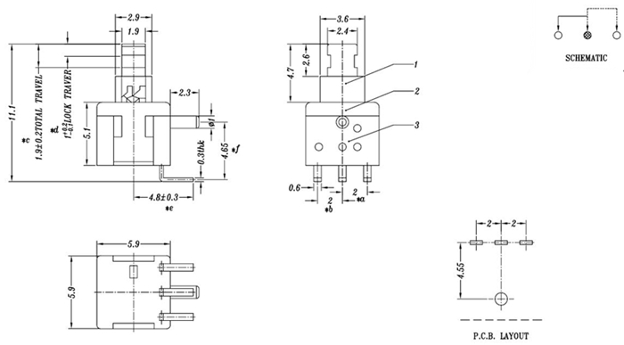
PB-12E60
浏览: 发布日期:2017-11-14


  • 上一篇:PB-11E01
  • 下一篇:PB-22E60
  •